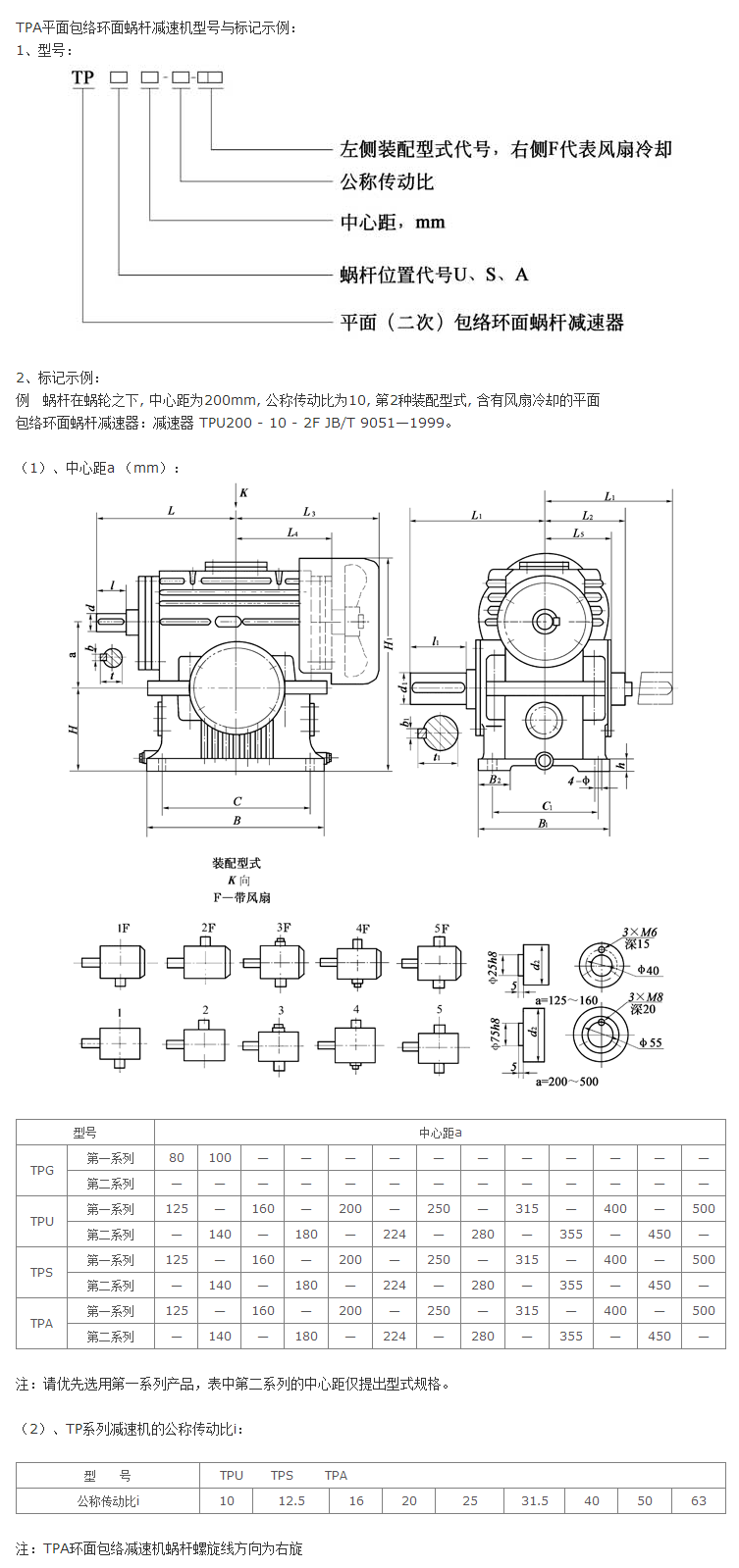
TPA平面包络减速机
作者:德州铭威机械设备有限公司
来源:http://ghs4m.cn
时间:2021-08-07
TPA平面包络环面蜗杆减速机表面经渗氮后精确磨削而成,精度高,表面光滑。加工过程与成形原理吻合度高,传动精度高。蜗杆与蜗轮的啮合为多齿接触,每齿为瞬时双线接触,齿面接触区可达70%以上。TPA平面包络环面蜗杆减速机的接触线与相对速度方向夹角大,动压油膜形成及保持性好。此种蜗轮副承载能力大,传动效率高,耐磨损。
TPA平面包络环面蜗杆减速机可以广泛地应用于各种传动机械中的减速传动,如冶金、矿山、起重、化工、建筑橡塑、船舶等行业以及其它机械设备上,适用工作环境温度为-40度至40度,输入轴转速不大于1500转/分,蜗杆轴可正反两面方向旋转。
