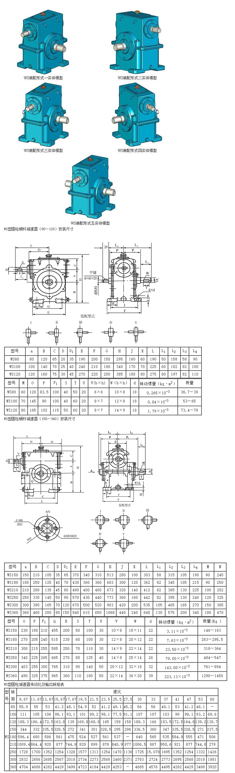
WS系列蜗杆减速机
作者:德州铭威机械设备有限公司
来源:http://ghs4m.cn
时间:2021-08-07
WS型圆柱蜗杆减速机适用范围
适用范围
WS型圆柱蜗杆减速器适用范围该标准为一级传动的阿基米德圆柱蜗杆减速器;WS(蜗杆上置)WD(蜗杆下置)。(蜗阿基米德圆柱蜗杆减速器适用于蜗杆啮合处滑动速度不大于7.5m/s;蜗杆速度不超过1500r/min;工作环境温度为-40~+40℃;并可正、反方向运转的场合。
WS型圆柱蜗杆减速器为一级传动的圆柱蜗杆减速器。其特点是传动比大、结构紧凑、体积小、噪音低、运行稳定并具有良好的自锁性。
本蜗杆减速器的蜗杆采用45碳素钢,并经调质处理。蜗轮用ZQAL9-4铝青铜铸造,对于输入的轴间支承采用圆锥滚子轴承,出轴端装有骨架油封,防止漏油,延长使用寿命。
本蜗杆减速器主要适用于冶金、矿山、起重、运输、化工、建筑、纺织、轻工等各机械设备的减速传动,尤其对车站码头、仓库等移动式起重设备,卷扬提升 为适宜。适用于蜗杆啮合处滑动速度不大于7.5m/s
WS型圆柱蜗杆减速器实体模型
